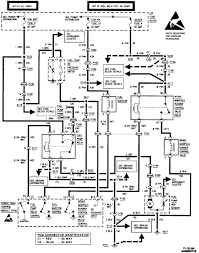
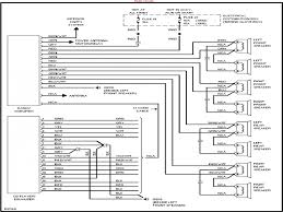
20+ 1995 Gmc Sonoma Radio Wiring Diagram

diagram 1995 gmc sonoma wiring diagram full version hd quality wiring diagram ilwiring2cx pulitura2m it
diagram 1995 gmc sonoma wiring diagram from schematron.org


0 Response to "20+ 1995 Gmc Sonoma Radio Wiring Diagram"

Post a Comment

Iklan Atas Artikel

Iklan Tengah Artikel 1

Iklan Tengah Artikel 2

Iklan Bawah Artikel