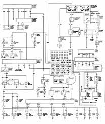
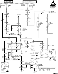
27+ 1988 Chevy S10 Wiring Diagram Written By AdminCuy Tuesday, December 10, 2019 Add Comment Edit details about 1988 chevy s 10 wiring diagram 88 pickup truck and s10 blazer electrical 11x17 from i.ebayimg.com Share this post
details about 1988 chevy s 10 wiring diagram 88 pickup truck and s10 blazer electrical 11x17 from i.ebayimg.com
0 Response to "27+ 1988 Chevy S10 Wiring Diagram"
Post a Comment